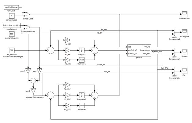
Develop a system to achieve target output speed of a hybrid powertrain with varying inputs from a compressed air engine and electric motor.